Product Summary
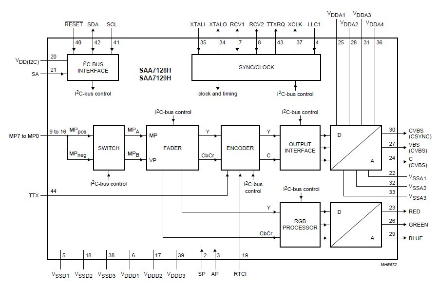
The SAA7129H is a digital video encoder. The device encodes digital CB-Y-CR video data to an NTSC, PAL or SECAM CVBS or S-video signal. Simultaneously, RGB or bypassed but interpolated CB-Y-CR signals are available via three additional DACs. The SAA7129H includes a sync/clock generator and on-chip DACs.
Parametrics
SAA7129H absolute maxing ratings: (1)VDDA analog supply voltage: MIN=3.15V, TYP=3.3V, MAX=3.45V; (2)VDDD digital supply voltage: MIN=3.0V, TYP=3.3V, MAX=3.6V; (3)IDDA analog supply current: TYP=130mA, MAX=150mA; (4)IDDD digital supply current: TYP=75mA, MAX=100mA; (5)Vi input signal voltage levels: TTL compatible; (6)Vo(p-p) analog output signal voltages Y, C and CVBS without load(peak-to-peak value): MIN=1.25V, TYP=1.35V, MAX=1.50V; (7)RL load resistance: MIN=75V, MAX=300W; (8)LElf(i) low frequency integral linearity error: MAX=±3LSB; (9)LElf(d) low frequency differential linearity error: MAX=±1LSB; (10)Tamb ambient temperature: MIN=0℃, MAX=70℃.
Features
SAA7129H features: (1)Monolithic CMOS 3.3 V device, 5 V I2C-bus optional; (2)Digital PAL/NTSC/SECAM encoder; (3)System pixel frequency 13.5 MHz; (4)54 MHz double-speed multiplexed D1 interface capable of splitting data into two separate channels (encoded and baseband); (5)Three Digital-to-Analog Converters (DACs) for CVBS (CSYNC), VBS (CVBS) and C (CVBS) two times oversampled with 10-bit resolution (signals in brackets optional); (6)Three DACs for RED (CR), GREEN (Y) and BLUE (CB) two times oversampled with 9-bit resolution (signals in brackets optional).
Diagrams

| Image | Part No | Mfg | Description | ![]() |
Pricing (USD) |
Quantity | ||||
|---|---|---|---|---|---|---|---|---|---|---|
![]() |
![]() SAA7129H/V1,557 |
![]() |
![]() IC DIGITAL VIDEO ENCODER 44-QFP |
![]() Data Sheet |
![]() Negotiable |
|
||||
![]() |
![]() SAA7129H/V1,518 |
![]() |
![]() IC DIGITAL VIDEO DECODER 44QFP |
![]() Data Sheet |
![]() Negotiable |
|
||||
![]() |
![]() SAA7129H |
![]() Other |
![]() |
![]() Data Sheet |
![]() Negotiable |
|
||||
(China (Mainland))










