Product Summary
The TC4051BFT is a hex buffer/converter, which contains six circuits of buffers. The TC4051BFT is non-interver type. Since one TTL or DTL can be directly driven having large output current, these are useful for interfacing from CMOS to TTL or DTL. As voltage up to VSS+18 Volts can be applied to the input regardless of VDD, these can be also used as the level converter IC’s which converts CMOS logical circuits of 5 volts system. Ideal switching characeristic has been obtained by the circuit diagram of two stage inverters for TC4051BFT.
Parametrics
TC4051BFT absolute maximum ratings: (1)DC supply voltage: VSS - 0.5~VSS + 20 V ; (2)Input voltage: VSS - 0.5~VDD + 0.5 V ; (3)Output voltage: VSS - 0.5~VDD + 0.5 V ; (4)DC input current: ±10 mA ; (5)Power dissipation: 300 (DIP)/180 (SOIC) mW ; (6)Operating temperature range: -40~85 ℃ ; (7)Storage temperature range: -65~150 ℃.
Features
TC4051BFT features: (1)high-level output voltage: 4.95 V min; (2)low-level output voltage: 0.05 V max; (3)output high current: -0.73 mA min at VOH=4.6 V; (4)output low current: 3.8 mA min at VOL=0.4 V; (5)input high voltage: 3.5V min at VOUT=0.5V, 4.5V; (6)input low voltage: 1.5V max at VOUT=0.5V.
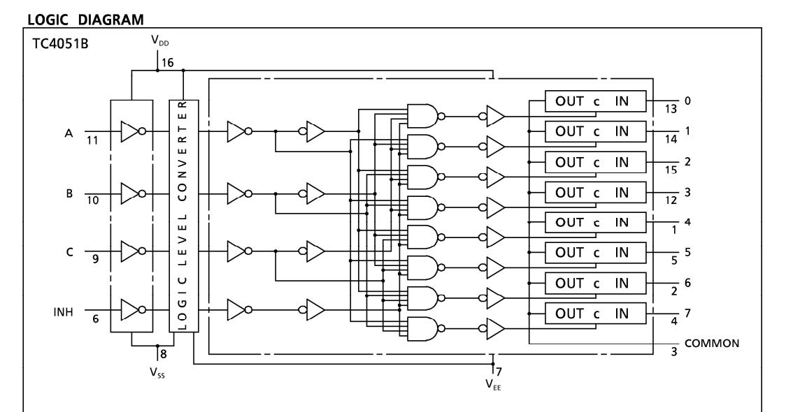
Diagrams

![]() |
![]() TC4001BF |
![]() Other |
![]() |
![]() Data Sheet |
![]() Negotiable |
|
||||||
![]() |
![]() TC4001BFN |
![]() Other |
![]() |
![]() Data Sheet |
![]() Negotiable |
|
||||||
![]() |
![]() TC4001BFT |
![]() Other |
![]() |
![]() Data Sheet |
![]() Negotiable |
|
||||||
![]() |
![]() TC4001BP |
![]() Other |
![]() |
![]() Data Sheet |
![]() Negotiable |
|
||||||
![]() |
![]() TC4001BP(N) |
![]() |
![]() IC GATE NOR QUAD 2INPUT 14-DIP |
![]() Data Sheet |
![]()
|
|
||||||
![]() |
![]() TC4007UBP |
![]() Other |
![]() |
![]() Data Sheet |
![]() Negotiable |
|
||||||
(China (Mainland))









