Product Summary
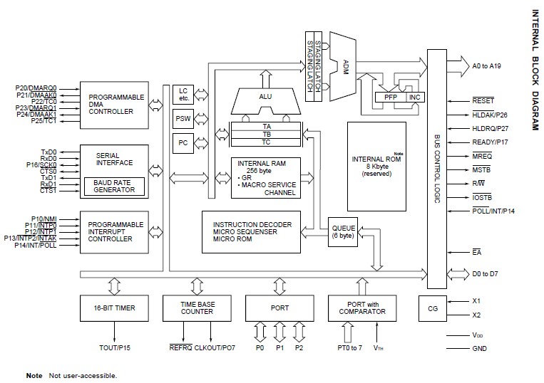
The UPD70320L-8 is a single-chip microcontroller on which 16-bit CPU, RAM, serial interface, timer, DMA controller, interrupt controller, etc. are all integrated. The UPD70320L-8 is compatible with the 8/16-bit microprocessor uPD70108/70116 (V20TM/V30TM) on the software level.
Parametrics
UPD70320L-8 absolute maximum ratings: (1)Supply Voltage, VDD: – 0.5 to +7.0 V; (2)Input Voltage, VTH: – 0.5 to VDD + 0.5 V; VI: – 0.5 to VDD + 0.5 V; (3)Output Voltage, VO: – 0.5 to VDD + 0.5 V; (4)Output Current Low, IOL: 4.0 mA at Each output pin; Total: 50 mA; (5)Output Current High, IOH: –2.0 mA at Each output pin; Total: –20 mA; (6)Operating Ambient Temperature, TA: –40 to +85 ℃; (7)Storage Temperature, Tstg: – 65 to +150 ℃.
Features
UPD70320L-8 features: (1)Internal 16-bit architecture and external 8-bit data bus; (2)Compatible with UPD70108/70116 (in native mode) on software level (some instructions added); (3)On-chip RAM : 256 words ×8 bits; (4)Input port (port T) with comparator : 8 bits; (5)I/O lines (input port : 4 bits, input/output port : 20 bits); (6)Serial interface (internal dedicated baud rate generator) : 2 channels Asynchronous mode and I/O interface mode; (7)Interrupt controller; (8)Programmable priority (8 levels); (9)Vectored interrupt function; (10)Register bank switching function; (11)Macro service function; (12)DRAM and pseudo SRAM refreshing functions; (13)DMA controller : 2 channels; (14)16-bit timer : 2 channels; (15)Time base counter; (16)On-chip clock generator; (17)Programmable wait function; (18)Standby function (STOP/HALT).
Diagrams

![]() |
![]() UPD70008AG-4 |
![]() Other |
![]() |
![]() Data Sheet |
![]() Negotiable |
|
||||
![]() |
![]() UPD70236AGD-10-5BB |
![]() Other |
![]() |
![]() Data Sheet |
![]() Negotiable |
|
||||
![]() |
![]() UPD7030025AGC-25 |
![]() Other |
![]() |
![]() Data Sheet |
![]() Negotiable |
|
||||
![]() |
![]() UPD703014A |
![]() Other |
![]() |
![]() Data Sheet |
![]() Negotiable |
|
||||
![]() |
![]() UPD703014AY |
![]() Other |
![]() |
![]() Data Sheet |
![]() Negotiable |
|
||||
![]() |
![]() UPD703015A |
![]() Other |
![]() |
![]() Data Sheet |
![]() Negotiable |
|
||||
(China (Mainland))








